GEBERIT KOMBIFIXBasic vč. matného tlačítka DELTA 25 + WC CERSANIT ARTECO CLEANON + SEDÁTKO 110.100.00.1 21MA AT1
Kód: 618201Detailní popis produktu
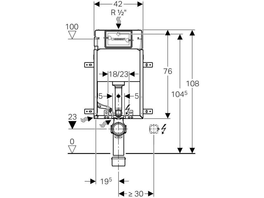
Kombifix KOMBIFIXBasic pro závěsné WC, 108 cm, s nádržkou Delta (110.100.00.1)
Účel použití
- Pro ovládání zepředu
- Pro ovládání pomocí Geberit ovládacích tlačítek Delta
- Pro montáž závěsného WC se vzdáleností upevnění 18 cm nebo 23 cm
- Pro zabudování mokrým procesem do zděné předstěnové instalace
- Pro připojení Geberit AquaClean
- Nevhodný pro zabudování do lehkých příček
- Nevhodný pro zabetonování
Vlastnosti
- Geberit Delta splachovací nádržka pod omítku 12 cm (UP100), ovládání zepředu
- Splachovací nádržka pod omítku izolovaná proti orosování
- Montážní výška 108 cm
- Zásuvné upevnění odpadního kolena
- Instalační hloubka 12 cm
- Pozinkovaný ocelový rám
- Nastavitelné velké splachovací množství
- Malé splachovací množství pevně nastavené
- Přívod vody zezadu / shora uprostřed
- Připojovací hadička k rohovému ventilu ručně přišroubovatelná
Technické informace
Splachovací množství - nastavení z výroby 6 a 3.5 l
Velké splachovací množství - rozsah nastavení 4,5 / 6 / 7,5 l
Ovládací tlačítko DELTA21, matný chrom /plast/ (115.125.46.1)
- Pro ovládání splachování splachovacích nádržek pod omítku Geberit
- Pro ovládání zepředu
- Pro Geberit splachovací nádržky pod omítku Delta 12 cm (UP100)
- Pro 2 množství splachování
ZÁVĚSNÁ WC MÍSA ARTECO NEW CLEAN ON BEZ SEDÁTKA (K667-053)
Výška: 37 cm
Šířka: 36 cm
Hloubka: 51,5 cm
Barva: bílá
Závěsná WC mísa ARTECO s technologií CleanOn /bez oplachového kruhu/, kdy se nedrží nečistoty jako na standardních mísách s oplachovým kruhem a jejich údržba je jednodušší. Mísa má vodorovný zadní odpad a funkci splachování 3/6l.
SEDÁTKO ARTECO BÍLÉ DUROPLASTOVÉ SOFT-CLOSE EASY OFF (K667-001)
- 36,2 x 44,4 cm
Duroplastové, antibakteriální WC sedátko s funkcí pomalého sklápění SOFT CLOSE, s jednoduchým sejmutím pro snadné čištění.
Doplňkové parametry
| Kategorie: | Závěsné WC setyWC a záchody Geberit |
|---|---|
| Záruka: | 24 |
| Hmotnost: | 25.51 kg |
| EAN: | 8596462000327 |
| Značka: | GEBERIT |
| Balení: | paleta |
Diskuze
Buďte první, kdo napíše příspěvek k této položce.
Pouze registrovaní uživatelé mohou vkládat příspěvky. Prosím přihlaste se nebo se registrujte.
